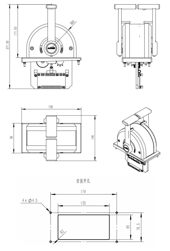
WLF-180
Propulsion control lever
The WLF-180 propusion control lever is suitable for single and dual engine control of large and medium-sized ship propulsion systems.
Aluminum alloy shell, each scale can be individually illuminated according to the grip position, and the damping and
Contact Us +86 13186888051
FEATURES



PARAMETER
-
Supply voltage18~26VDC
-
Body materialAluminum alloy black spray
-
Spindle materialStainless steel
-
Grip materialPOM
-
Potentiometer5K±10%, 0.3% linearity
-
Transmission modeGear drive
-
Rotation range±60°
-
IP leverIP56
-
Connection mode16 bit terminal
-
Analog output (if any)4-20mA, 1% accuracy
OPTIONS
-
StyleStainless steel chrome platingBlack spray coating
-
TypeDouble 180DLeft 180LRight 180R
-
ScaleEnglishPercentChinese
-
Rotation range±60°0~60°
-
Clack feedback11 positionsNeutral only
-
Output signal5K potentiometer4~20mAForward and reverse passive switch
-
Backlight adjustment0~24VDimmer
-
Motor shaft synchronizationNoYes
-
Driving modeFWDAFT